తెలుగు
|
మోడల్ సంఖ్య |
SG - DTM06U (C, M) 2 - x |
SG - DTM06U (C, M) 2 - TX |
SG - DTM03U (C, M) 2 - x |
SG - DTM03U (C, M) 2 - TX |
SG - DTM02U (సి) 2 - x |
SG - DTM02U (C) 2 - TX |
|
థర్మల్ మాడ్యూల్ |
||||||
|
చిత్ర సెన్సార్ |
అసంపూర్తిగా ఉన్న వోక్స్ మైక్రోబోలోమీటర్ |
|||||
|
పిక్సెల్ విరామం |
12μm |
|||||
|
ప్రతిస్పందన వేవ్బ్యాండ్ |
8μm నుండి 14μm వరకు |
|||||
|
గరిష్టంగా. తీర్మానం |
640 × 512 |
384 × 228 |
256 × 192 |
|||
|
ఫ్రేమ్ రేట్ (fps) |
50 |
25 |
50 |
25 |
50 |
25 |
|
లెన్స్ |
9.1/13/19/25 మిమీ |
9.1/13 మిమీ |
4/7/10 మిమీ |
|||
|
F సంఖ్య |
F1.0/ F1.0/ F1.1/ F1.2 |
F1.0 |
F1.0 |
|||
|
వీక్షణ క్షేత్రం (h × v) |
45.9 × × 36.9 °/32.9 ° × 26.6 °/ 22.6 ° × 18.2 °/17.3 × × 13.8 ° |
28.7 ° × 21.7 °/20.1 ° × 15.1 ° |
46.8 ° × 34.1 °/24.6 × × 18.5 °/16.9 × × 12.8 ° |
|||
|
తాత్కాలిక కొలత |
N/a |
మద్దతు |
N/a |
మద్దతు |
N/a |
మద్దతు |
|
ఉష్ణోగ్రత కొలత |
||||||
|
ఉష్ణోగ్రత పరిధి |
LT మోడ్: - 20 ° C ~+150 ° C; HT మోడ్: 0 ° C ~+550 ° C. |
|||||
|
కొలత లోపం |
గరిష్టంగా (± 2 ° C, ± 2%); ఆపరేటింగ్ టెంప్: - 20 ° C ~+50 ° C. |
|||||
|
చిత్ర ప్రదర్శన |
||||||
|
చిత్ర సర్దుబాటు |
ప్రకాశం, కాంట్రాస్ట్, పదును |
|||||
|
వివరాలు మెరుగుదల |
మద్దతు |
|||||
|
లాభం |
ఆటో/మాన్యువల్ |
|||||
|
శబ్దం తగ్గింపు |
2 డి/3 డి |
|||||
|
ఫ్లిప్ |
మద్దతు |
|||||
|
అద్దం |
మద్దతు |
|||||
|
నకిలీ - రంగు |
రంగు యొక్క 18 పాలెట్లు సర్దుబాటు |
|||||
|
క్రాస్హైర్ |
ప్రదర్శన/అదృశ్యం/దాచు |
|||||
|
చిత్ర ప్రాసెసింగ్ |
NUC దిద్దుబాటు, డిజిటల్ శబ్దం ఫిల్టర్, DDE |
|||||
|
వీడియో |
||||||
|
వీడియో అవుట్పుట్ |
UVC/BT.656/MIPI/LVDS/CVBS |
UVC/CVBS |
||||
|
విస్తరణ ఇంటర్ఫేస్ |
USB/MIPI/CVBS/రకం - సి |
USB/CVBS/రకం - సి |
||||
|
సీరియల్ కమ్యూనికేషన్ |
UART సీరియల్ పోర్ట్ |
|||||
|
జనరల్ |
||||||
|
శక్తి |
DC 4.5 ~ 5.5V; CVBS: DC 4.5–20V |
|||||
|
విద్యుత్ వినియోగం |
≤0.7w@25 -c |
≤0.7w@25 -c |
≤0.55W@25 -సి |
|||
|
పని ఉష్ణోగ్రత |
- 40 ° C ~ 70 ° C. |
|||||
|
నిల్వ ఉష్ణోగ్రత |
- 40 ° C ~ 80 ° C. |
|||||
|
పని తేమ |
≤95% RH (నాన్ - కండెన్సింగ్) |
|||||
|
షాక్ |
6.06 జి రాండమ్, 3 - యాక్సిస్, సైన్ వేవ్ వైబ్రేషన్ |
|||||
|
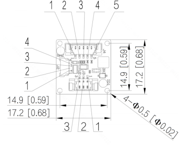
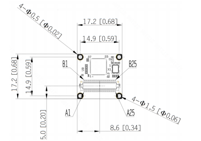
పరిమాణం |
17.3 మిమీ*17.3 మిమీ*10.8 మిమీ (లెన్స్ స్పేసర్ రింగ్ టెయిల్ ప్లేట్ లేకుండా) |
|||||
|
బరువు |
5G (లెన్స్ స్పేసర్ రింగ్ టెయిల్ ప్లేట్ లేకుండా) |
|||||




మీ సందేశాన్ని వదిలివేయండి

